来源:生态环境部 时间:2024-08-19 17:22
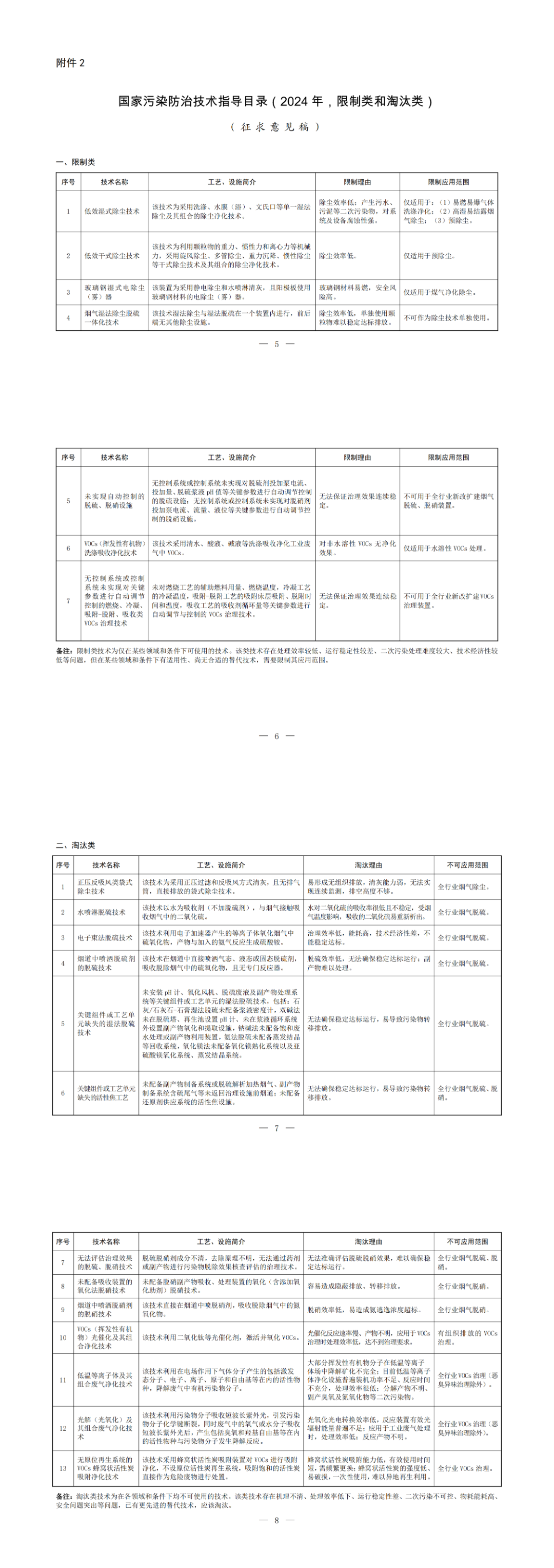
8月16日,生态环境部发布关于征求《国家污染防治技术指导目录(2024年,限制类和淘汰类)》(征求意见稿)意见的函。文件共提及20项技术,含限制类技术7项,淘汰类技术13项,涉及除尘、脱硫脱硝、VOCs治理等大气污染防治细分领域。
关于征求《国家污染防治技术指导目录(2024年,限制类和淘汰类)》(征求意见稿)意见的函
为深入贯彻党的二十大和二十届三中全会精神,认真落实全国生态环境保护大会要求,更好发挥技术指导作用,推动生态环境领域设备更新和技术进步,我部组织编制了《国家污染防治技术指导目录(2024年,限制类和淘汰类)》(征求意见稿),现公开征求意见。
各机关团体、企事业单位和个人均可提出意见和建议。有关意见请书面反馈我部,电子版材料请同时发至联系人邮箱。征求意见截止时间为2024年8月30日。
联系人:科技与财务司刘元生
电话:(010)65645390
传真:(010)65645400
邮箱:liu.yuansheng@mee.gov.cn
地址:北京市东城区东长安街12号
附件:1.征求意见单位名单.pdf
2.国家污染防治技术指导目录(2024年,限制类和淘汰类)(征求意见稿).pdf
3.《国家污染防治技术指导目录(2024年,限制类和淘汰类)》(征求意见稿)编制说明.pdf
生态环境部办公厅
2024年8月14日



责任编辑:于彤彤